What is gsm technology : architecture, circuit working & its applications Sim900a gsm module pinout, examples, applications, features Gsm modem circuit diagram project
SIM800l GSM Module » ElectroDuino
Interfacing gsm module with avr microcontroller: send and receive messages
Gsm module circuit diagram datasheet
Zilogic systemsSend sms using gsm module and pic microcontroller Gsm modem circuit diagram pdfGsm sms circuit using modem send arduino diagram receive homemade circuits.
Module gsm sim900a diagram block pinout describing internal structure followingGsm microcontroller pic interfacing module diagram circuit receive calls make Arduino gsm module using call circuit diagram sim900a send message gprs server web projects data sim900 sms keypad schematic unoCircuit gsm arduino module call how2electronics.

Gsm modem circuit diagram
Sim900a gsm module pinout, features & datasheetSimple phone: call & sms using gsm module & arduino Gsm modem sim900 circuit diagramGsm circuit modem architecture working diagram module gms works board features communication work elprocus interfacing card device intelligent over automation.
Gsm modem circuit diagramGsm module microcontroller pic interfacing sms diagram using circuit uart send communication between microcontrollerslab microcontrollers Interfacing gsm modem with arduino unoGsm pcb pcbmay.

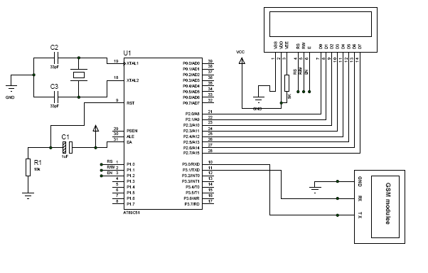
Gsm module interfacing with 8051 microcontroller (at89s52): circuit
Gsm module gprs diagram blockGsm modem circuit diagram Circuit diagram for interfacing gsm module and at89s51How to send and receive sms using gsm modem.
Circuit diagram of the gsm (sms) module.Gsm modem sim900 circuit diagram Gsm/gprs module : all you need to knowWhat is gsm: architecture and working of gsm module with circuit.

Gsm module interfacing microcontroller avr diagram circuit receive messages send
Gsm modem circuit diagram pdfGsm arduino interfacing module diagram circuit modem uno connections Circuit diagram of gsm modemDiagram of the gsm module the overall design of the circuit as.
Gsm modem circuit diagramSim800l gsm module » electroduino Gsm interfacing with arduino circuit diagramGsm modem.

Sim900a gsm module circuit diagram datasheet pinout components101 rs232 shown communication done above saved
Gsm modem circuit diagramGsm interfacing microcontroller circuit 8051 diagram module code max232 projects rx tx pins used Gsm modem interfacing circuits4you commandsMake and receive calls with gsm module and pic microcontroller.
Gsm modem sim900 circuit diagramGsm modem interfacing Call and message using arduino and sim900 gsm module.






